Chopper Step Down - MapleSim Help
For the best experience, we recommend viewing online help using Google Chrome or Mozilla Firefox.

Online Help

All Products    Maple    MapleSim


Chopper Step Down

Step-down chopper

 

Description

Connections

Parameters

Modelica Standard Library

Description

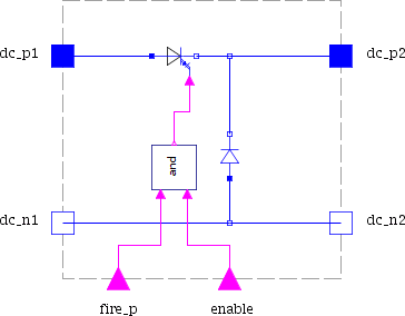
The Chopper Step Down component is a conventional step-down chopper model. It consists of a pass-transistor and free-wheeling diode. The gate of the pass-transistor is controlled by the boolean input firep and enabled with either a parameter or an enable input.

To see an example model that uses this component, search for ChopperStepDown in the MapleSim search bar on the main toolbar.

Connections

Name

Description

Modelica ID

dcp1

Electrical port; positive DC input

dc_p1

dcn1

Electrical port; negative DC input

dc_n1

dcp2

Electrical port; positive DC output

dc_p2

dcn2

Electrical port; negative DC output

dc_n2

heatPort

Optional heat port

heatPort

enable

Boolean input; enables firep

enable

firep

Boolean input; firing signal of transistor

fire_p

Parameters

General Parameters

Name

Default

Units

Description

Modelica ID

Rontran

1·10−5

Ω

Transistor closed resistance

RonTransistor

Gofftran

1·10−5

S

Transistor opened conductance

GoffTransistor

Vkneetran

0

V

Transistor threshold voltage

VkneeTransistor

Rondiode

1·10−5

Ω

Closed diode resistance

RonDiode

Goffdiode

1·10−5

S

Opened diode conductance

GoffDiode

Vkneediode

0

V

Diode forward threshold voltage

VkneeDiode

Use Heat Port

false

 

True (checked) means heat port is enabled

useHeatPort

Enable Parameters

Name

Default

Units

Description

Modelica ID

Use Constant Enable

true

 

True (checked) means disable Enable port.

useConstantEnable

Constant Enable

true

 

True (checked) means firing signals are always enabled.

constantEnable

Modelica Standard Library

The component described in this topic is from the Modelica Standard Library. To view the original documentation, which includes author and copyright information, click here.

See Also

DC AC

DC AC Control

Electrical Library

Power Converters