Cartridge Valve - MapleSim Help
For the best experience, we recommend viewing online help using Google Chrome or Mozilla Firefox.

Online Help

All Products    Maple    MapleSim


Cartridge Valve

Slip-in Cartridge Valve

 

Description

Equations

Variables

Connections

Parameters

Description

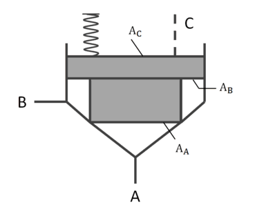
The Cartridge Valve component has a pilot pressure that can be used to assist in opening or closing the valve.

The orifice area between A and B is assumed to be a piecewise linear function of the pressure of port A, port B, and port C.

The pressure at port C, in addition to the force of a preloaded spring, act to close the valve while the pressure at port A and B act to open the valve.

The effect of inertia or friction for the poppet is not considered.

Based on the orifice area, the pressure vs. flow rate relationship is calculated by the formulation used in the Orifice component.

Formulation Approaches

One of two approaches can be selected for modeling the flow in the device. When the boolean parameter Use constant Cd is true, a constant coefficient of discharge (Cd) is used, otherwise a variable coefficient of discharge with maximum value (Cdmax) and a critical flow number (Critno) are used.

Optional Volumes

The boolean parameters Use volume A and Use volume B, when true, add optional volumes VA  and VB to ports A and B, respectively. See Port Volumes for details.

If two orifices or valves are connected, enabling a volume at the common port reduces the stiffness of the system and improves the solvability.

Pilot Ratio

The pilot ratio for the cartridge valve is considered to be

kpilot=ACAA=1+ABAA

As implied above, 1kpilot.

The figure below shows an approximation of the effective areas for pressure at port A, B, and C. The effective area for port Y is the same as that for port C.

For example, if the area ratio of AA to AB for a cartridge valve was 1:1 then kpilot=2.

Equations

p=pApB

Orifice Fluid Equations

{p=π4ρνqCd2AcsπAcs16q4π2Acs2ν4+ReCr414Use constant Cd=trueq=Cdmaxtanh4Acsπ2pρνCritnoAcs2pρsignpotherwise

Pilot Equations

{Acs=Ai=AtExactAcs=minAopen,maxAclose,Ai,tcdAidt+Ai=Atotherwise

At&equals;{AcloseptotpcloseAclose&plus;AopenAcloseSmoothTransS&comma;ptotpclosepopenpcloseptot<popenAopenotherwise

S&equals;{smoothnesssmoothTransition0otherwise

ptot&equals;pA&plus;kpilot1pBkpilotpCkpilotpY

pY&equals;{portY.pAdditional Pressure Port0otherwise

qC&equals;0qY&equals;0

Optional Volume Equations

VfA&equals;{Va1&plus;pAElUse volume A&equals;true0otherwiseVfB&equals;{Vb1&plus;pBElUse volume B&equals;true0otherwise

q&equals;qAqVA&equals;qBqVB

qVA&equals;{dVfAdtUse volume A&equals;true0otherwiseqVB&equals;{dVfBdtUse volume B&equals;true0otherwise

Variables

Name

Units

Description

Modelica ID

p

Pa

Pressure drop from A to B

p

pX

Pa

Pressure at port X

pX

q

m3s

Flow rate from port A to port B

q

qX

m3s

Flow rate into port X

qX

qVX

m3s

Flow rate into port X's optional volume

qVX

VfX

m3

Effective volume at port X

VfX

XA&comma;B&comma;C&comma;Y

Connections

Name

Description

Modelica ID

portA

Hydraulic port on bottom

portA

portB

Hydraulic port on right side

portB

portC

Hydraulic port on top (no volume, no flow, used as pilot)

portC

portY

Optional hydraulic port (no volume, no flow, used as additional pilot)

portY

Parameters

General

Name

Default

Units

Description

Modelica ID

pclose

4·105

Pa

Pressure at which valve is fully closed A&equals;Aclose

pclose

popen

5·105

Pa

Pressure at which valve is fully open A&equals;Aopen

popen

Aclose

1·10−12

m2

Valve area when closed (leakage)

Aclose

Aopen

1·10−5

m2

Valve area when fully open

Aopen

kpilot

2

 

Pilot ratio

kp

Exact

false

 

When false (not checked) a first-order dynamics is used for the valve area

Exact

tc

0.1

s

Time constant

tc

Additional Pressure Port

false

 

True enables optional port Y

AdditionalPressurePort

Smooth Transition

false

 

True (checked) means enable the smoothness factor

smoothTransition

smoothness

0.5

 

Smoothness factor (0: sharpest, 1: smoothest); used when Smooth Transition is enabled

smoothness

Orifice

Name

Default

Units

Description

Modelica ID

Use constant Cd

true

 

True (checked) means a constant coefficient of discharge is implemented, otherwise a variable Cd is used in flow calculations

UseConstantCd

Cd

0.7

 

Flow-discharge coefficient; used when Use constant Cd is true

Cd

ReCr

12

 

Reynolds number at critical flow; used when Use constant Cd is true

ReCr

Cdmax

0.7

 

Maximum flow-discharge coefficient; used when Use constant Cd is false

Cd_max

Critno

1000

 

Critical flow number; used when Use constant Cd is false

Crit_no

Optional Volumes

Name

Default

Units

Description

Modelica ID

Use volume A

false

 

True (checked) means a hydraulic volume chamber is added to portA

useVolumeA

VA

1·10−6

m3

Volume of chamber A

Va

Use volume B

false

 

True (checked) means a hydraulic volume chamber is added to portB

useVolumeB

VB

1·10−6

m3

Volume of chamber B

Vb

For more information see Port Volumes.

Fluid Parameters

The following parameters, used in the equations, are properties of the Hydraulic System Properties component used in the model.

Name

Units

Description

Modelica ID

ν

m2s

Kinematic viscosity of fluid

nu

ρ

kgm3

Density of fluid

rho

El

Pa

Bulk modulus of fluid

El

See Also

Cartridge Valves

Hydraulics Library

Valves