Simulating a z-Folding process – Multibody, Multi-Domain Physical Model in MapleSim – Maplesoft

Simulating a z-Folding process

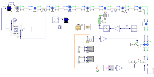
This model demonstrates the dynamic behavior of a web line in a z-Folding battery manufacturing process. It shows the how a fixed web end can be modelled.
The model starts with a tension-controlled unwinder and uses a nip roller as master drive. A linear dancer is tension controlled and its task is to compensate tension fluctuations from the z-Folding process.

Such a model can be used to analyse the tension behavior based on the motion profiles and to test and optimize the motion profiles.

This model uses the MapleSim Web Handling Library
This model was created with MapleSim 2025.2
Close

Download this MapleSim model

This model requires MapleSim. If you do not have MapleSim, contact us for a live demonstration.

  • How this model works and how it was developed
  • How this model can be modified to fit your requirements
  • How we can assist you in developing your own models to solve your engineering design problems

Let Maplesoft Engineering Solutions provide you with the expertise and tools you need to meet your project requirements quickly and effectively. Ask our experts today!

Contact us today


If you have MapleSim, download the model here:

Download the Model

Close

Request an S-Function

MapleSim Models can be readily exported as royalty-free S-functions. To request the S-function corresponding to this model, please fill in the form below.


Model: Simulating a z-Folding process
Industry:

Submitting form...

Thank you for requesting the S-Function. Your request has been received and you can expect to hear from us shortly. Close Window
Oops! There was a problem. Try again later Close Window
Model Images
  • Structure Model structure of a web handling model
  • 3Dview 3D view of the web handling machine
  • Results Simulation results